電路圖
十大經典電路圖,電路圖主要由元件符號、連線、結點、注釋四大部分組成。元件符號表示實際電路中的元件,它的形狀與實際的元件不一定相似,甚至完全不一樣。但是它一般都表示出了元件的特點,而且引腳的數目都和實際元件保持一致。
連線表示的是實際電路中的導線,在原理圖中雖然是一根線,但在常用的印刷電路板中往往不是線而是各種形狀的銅箔塊,就像收音機原理圖中的許多連線在印刷電路板圖中并不一定都是線形的,也可以是一定形狀的銅膜。
結點表示幾個元件引腳或幾條導線之間相互的連接關系。所有和結點相連的元件引腳、導線,不論數目多少,都是導通的。 注釋在電路圖中是十分重要的,電路圖中所有的文字都可以歸入注釋—類。細看以上各圖就會發現,在電路圖的各個地方都有注釋存在,它們被用來說明元件的型號、名稱等等。

十大經典電路圖實例分析
下面是十大經典電路圖實例分析如下:
(一)簡單電感量測量裝置
在電子制作和設計,經常會用到不同參數的電感線圈,這些線圈的電感量不像電阻那么容易測量,有些數字萬用表雖有電感測量擋,但測量范圍很有限。該電路以諧振方法測量電感值,測量下限可達10nH,測量范圍很寬,能滿足正常情況下的電感量測量,電路結構簡單。
1、電路工作原理
電路原理如圖1(a)所示。

該電路的核心器件是集成壓控振蕩器芯片MC1648 ,利用其壓控特性在輸出3腳產生頻率信號,可間接測量待測電感LX值,測量精度極高。
BB809是變容二極管,圖中電位器VR1對+15V進行分壓,調節該電位器可獲得不同的電壓輸出,該電壓通過R1加到變容二極管BB809上可獲得不同的電容量。測量被測電感LX時,只需將LX接到圖中A、B兩點中,然后調節電位器VR1使電路諧振,在MC1648的3腳會輸出一定頻率的振蕩信號,用頻率計測量C點的頻率值,就可通過計算得出LX值。

式中諧振頻率f0即為MC1648的3腳輸出頻率值,C是電位器VR1調定的變容二極管的電容值,可見要計算LX的值還需先知道C值。為此需要對電位器VR1刻度與變容二極管的對應值作出校準。
為了校準變容二極管與電位器之間的電容量,我們要再自制一個標準的方形RF(射頻)電感線圈L0。如圖6—7(b)所示,該標準線圈電感量為0.44mH。校準時,將RF線圈L0接在圖(a)的A、B兩端,調節電位器VR1至不同的刻度位置,在C點可測量出相對應的測量值,再根據上面諧振公式可算出變容二極管在電位器VR1刻度盤不同刻度的電容量。附表給出了實測取樣對應關系。

2、元器件選擇
集成電路IC可選擇Motoroia公司的VCO(壓控振蕩器)芯片。VR1選擇多圈高精度電位器。其它元器件按電路圖所示選擇即可。
3、制作與調試方法
制作時,需在多圈電位器軸上自制一個刻度盤,并帶上指針。RF標準線圈按圖(b)所給尺寸自制。電路安裝正確即可正常工作,調節電位器VR1取滑動的多個點與變容二極管的對應關系,可保證測量方便。該測量方法屬于間接測量,但測量范圍寬,測量準確,所以對電子愛好者和實驗室檢測電感量有可取之處。該裝置若固定電感可變成一個可調頻率的信號發生器。
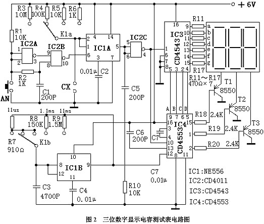
(二)三位數字顯示電容測試表
中、高檔數字萬用表雖有電容測試擋位,但測量范圍一般僅為1pF~20pF,往往不能滿足使用者的需要,給電容測量帶來不便。本電路介紹的三位數顯示電容測試表采用四塊集成電路,電路簡潔、容易制作、數字顯示直觀、精度較高,測量范圍可達1nF~104?F。特別適合愛好者和電氣維修人員自制和使用。
1、電路工作原理
電路原理如圖2所示。

該電容表電路由基準脈沖發生器、待測電容容量時間轉換器、閘門控制器、譯碼器和顯示器等部分組成。
待測電容容量時間轉換器把所測電容的容量轉換成與其容量值成正比的單穩時間td。基準脈沖發生器產生標準的周期計數脈沖。閘門控制器的開通時間就是單穩時間td。在td時間內,周期計數脈沖通過閘門送到后面計數器計數,譯碼器譯碼后驅動顯示器顯示數值。計數脈沖的周期T乘以顯示器顯示的計數值N就是單穩時間td,由于td與被測電容的容量成正比,所以也就知道了被測電容的容量。
圖2中,集成電路IC1B電阻R7~R9和電容C3構成基準脈沖發生器(實質上是一個無穩多諧振蕩器),其輸出的脈沖信號周期T與R7~R9和C3有關,在C3固定的情況下通過量程開關K1b對R7、R8、R9的不同選擇,可得到周期為11?s、1.1ms和11ms的三個脈沖信號。
IC1A、IC2、R1~R6、按鈕AN及C1構成待測電容容量時間轉換器(實質上是一個單穩電路)。按動一次AN,IC2B的10腳就產生一個負向窄脈沖觸發IC1A,其5腳輸出一次單高電平信號。R3~R6和待測電容CX為單穩定時元件,單穩時間td=1.1(R3~R6)CX。
IC4、IC2C、C5、C6、R10構成閘門控制器和計數器,IC4為CD4553,其12腳是計數脈沖輸入端,10腳是計數使能端,低電位時CD4553執行計數,13腳是計數清零端,上升沿有效。
當按動一下AN后,IC4的13腳得到一個上升脈沖,計數器清零同時IC2C的4腳輸出一個單穩低電平信號加到IC4的10腳,于是IC4對從其12腳輸入的基準計數脈沖進行計數。當單穩時間結束后,IC4的10腳變為高電平,IC4停止計數,最后IC4通過分時傳遞方式把計數結果的個位、十位、百位由它的9腳、7腳、6腳和5腳循環輸出對應的BCD碼。
IC3構成譯碼器驅動器,它把IC4送來的BCD碼譯成十進制數字筆段碼,經R11~R17限流后直接驅動七段數碼管。集成電路CD4553的15腳、1腳、2腳為數字選擇輸出端,經R18~R20選擇脈沖送到三極管T1~T3的基極使其輪流導通,這兩部分電路配合就完成了三位十進制數字顯示。
C7的作用是當電源開啟時在R10上產生一個上升脈沖,對計數器自動清零。
2、元器件選擇
電路中,IC1選用NE556;IC2選用CD4001;IC3選用CD4543;IC4選用CD4553。七段數碼管可選用三字共陰極數碼管。T1~T3選用8550(或其它PNP型三極管)。C1不應大于0.01?F,C3選用小型金屬化電容。R3~R9選用1/8W金屬膜電阻。其他元器件沒有特殊要求,按電路標注選擇即可。
3、制作與調試方法
整個電路安裝好后可裝在一個塑料盒內,將數碼管和量程轉換開關裝在面板上。在制作和調試時,關鍵是要調出11?s、1.1ms和11ms的三種標準脈沖信號,調試時需要借助一臺示波器,通過調整分別R7、R8和R9等三個電阻的阻值,就可方便地得到這三個脈沖信號,電路中的R7、R8、R9的阻值是實驗數據僅供參考。電路其余部分無需調試,只要選擇良好器件,安裝正確無誤,并在量程轉換開關處標注相應倍率,就可得到一個經濟實用、準確可靠的數字電容表。
4、使用方法


需要說明的是,在使用1pF~999pF量程時,由于分布電容的影響,測量結果減去分布電容值才是被測電容的準確值。可以這樣測出該電容表的量程分布電容值,把量程打在 1pF~999pF檔,在不接被測電容的情況下,按動一下AN按鈕,測的計數結果就是該擋的分布電容值,經實驗該數值一般為10pF左右。
附表列出了各擋量程的組成關系。

(三)市電電壓雙向越限報警保護器電路三:市電電壓雙向越限報警保護器
該報警保護器能在市電電壓高于或低于規定值時,進行聲光報警,同時自動切斷電器電源,保護用電器不被損壞。該裝置體積小、功能全、制作簡單、實用性強。
1、電路工作原理
電路原理如圖3所示。

市電電壓一路由C3降壓,DW穩壓,VD6、VD7、C2整流濾波輸出12V穩定的直流電壓供給電路。另一路由VD1整流、R1降壓、C1濾波,在RP1、RP2上產生約10.5V電壓檢測市電電壓變化輸入信號。門IC1A、IC1B組成過壓檢測電路,IC1C為欠壓檢測,IC1D為開關,IC1E、IC1F及壓電陶瓷片YD等組成音頻脈沖振蕩器。三極管VT和繼電器J等組成保護動作電路。紅色LED1作市電過壓指示,綠色管LED2作市電欠壓指示。
市電正常時,非IC1A輸出高電平,IC1B、IC1C輸出低電平,LED1、LED2均截止不發光,VT截止,J不動作,電器正常供電,此時B點為高電平,F4輸出低電平,VD5導通,C點為低電平,音頻脈沖振蕩器停振,YD不發聲。當市電過壓或欠壓時,IC1B、IC1C其中有一個輸出高電平,使A點變為高電位,VT飽和導通,J通電吸合,斷開電器電源,此時B點變為低電位,IC1D輸出高電平,VD5截止,反向電阻很大,相當于開路,音頻脈沖振蕩器起振,YD發出報警聲,同時相應的發光二極管發光指示。
2、元器件的選擇
集成芯片IC可選用CD74HC04六反相器,二極管VD1~VD6選擇IN4007,電容C1~C6均選擇鋁電解電容,耐壓400V,穩壓管選用12V穩壓,繼電器J選用一般6V直流繼電器即可,電阻選用普通1/8或1/4W碳膜電阻器,大小可按圖示。
3、制作和調試方法
調試時,用一臺調壓器供電,調節電壓為正常值(220V),用一白熾燈作負載,使LED1、LED2均熄滅,白熾燈亮,然后將調壓器調至上限值或下限值,調RP1或RP2使LED1或LED2剛好發光,白熾燈熄滅,即調試成功。
全部元件可安裝于一個小塑料盒中,將盒蓋上打兩個孔固定發光二極管,打一個較大一點的圓孔固定壓電陶瓷片,并用一個合適的瓶蓋給壓電片作一個助聲腔,使其有較響的鳴叫聲。
(四)紅外線探測防盜報警器
該報警器能探測人體發出的紅外線,當人進入報警器的監視區域內,即可發出報警聲,適用于家庭、辦公室、倉庫、實驗室等比較重要場合防盜報警。
1、電路原理如圖4所示。
該裝置由紅外線傳感器、信號放大電路、電壓比較器、延時電路和音響報警電路等組成。紅外線探測傳感器IC1探測到前方人體輻射出的紅外線信號時,由IC1的②腳輸出微弱的電信號,經三極管VT1等組成第一級放大電路放大,再通過C2輸入到運算放大器IC2中進行高增益、低噪聲放大,此時由IC2①腳輸出的信號已足夠強。
IC3作電壓比較器,它的第⑤腳由R10、VD1提供基準電壓,當IC2①腳輸出的信號電壓到達IC3的⑥腳時,兩個輸入端的電壓進行比較,此時IC3的⑦腳由原來的高電平變為低電平。IC4為報警延時電路,R14和C6組成延時電路,其時間約為1分鐘。當IC3的⑦腳變為低電平時,C6通過VD2放電,此時IC4的②腳變為低電平,它與IC4的③腳基準電壓進行比較,當它低于其基準電壓時,IC4的①腳變為高電平,VT2導通,訊響器BL通電發出報警聲。人體的紅外線信號消失后。

IC3的⑦腳又恢復高電平輸出,此時VD2截止。由于C6兩端的電壓不能突變,故通過R14向C6緩慢充電,當C6兩端的電壓高于其基準電壓時,IC4的①腳才變為低電平,時間約為1分鐘,即持續1分鐘報警。
由VT3、R20、C8組成開機延時電路,時間也約為1分鐘,它的設置主要是防止使用者開機后立即報警,好讓使用者有足夠的時間離開監視現場,同時可防止停電后又來電時產生誤報。該裝置采用9-12V直流電源供電,由T降壓,全橋U整流,C10濾波,檢測電路采用IC5 78L06供電,交直流兩用,自動無間斷轉換。
2、元器件選擇
IC1采用進口器件Q74,波長為9-10um。IC2采用運放LM358,具有高增益、低功耗。IC3、IC4為雙電壓比較器LM393,低功耗、低失調電壓。其中C2、C5一定要用漏電極小的鉭電容,否則調試會受到影響。R12是調整靈敏度的關鍵元件,應選用線性高精度密封型。其它元器件按電路圖所示選擇即可。
3、制作和調試方法
制作時,在IC1傳感器的端面前安裝菲涅爾透鏡,因為人體的活動頻率范圍為0.1-10Hz,需要用菲涅爾透鏡對人體活動頻率倍增。安裝無誤,接上電源進行調試,讓一個人在探測器前方7-10m處走動,調整電路中的R12,使訊響器報警即可。其它部分只要元器件質量良好且焊接無誤,幾乎不用調試即可正常工作。本機靜態工作電流約10mA,接通電源約1分鐘后進入守候狀態,只要有人進入監視區便會報警,人離開后約1分鐘停止報警。如果將訊響器改為繼電器驅動其它裝置即作為其它控制用。
(五)禁煙警示器
本例介紹的禁止吸煙警示器,可用于家庭居室或各種不宜吸煙的場合 (例如醫院、會議室等)。當有人吸煙時,該禁止吸煙警示器會發出"請不要吸煙!"的語言警示聲,提醒吸煙者自覺停止吸煙。
1、電路工作原理
電路原理如圖5所示。
該禁止吸煙警示器電路由煙霧檢測器、單穩態觸發器、語言發生器和功率放大電路組成,煙霧檢測器由電位器RP1、電阻器R1和氣敏傳感器組成。單穩態觸發器由時基集成電路IC1、電阻器R2、電容器C1和電位器RP2組成。語音發生器電路由語音集成電路IC2、電阻器R3-R5、電容器C2和穩壓二極管VS組成。音頻功率放大電路由晶體管V、升壓功放模塊IC3、電阻器R6、R7、電容器C3、C4和揚聲器BL組成。

氣敏傳感器末檢測到煙霧時,其A、B兩端之司的阻值較大,IC1的2腳為高電平(高于2Vcc/3),3腳輸出低電平,語音發生器電路和音頻功率放大電路不工作,BL不發聲。
在有人吸煙、氣敏傳感器檢測到煙霧時,其A、B兩端之司的電阻值變小,使IC1的2腳電壓下降,當該腳電壓下降至VCC/3時,單穩態觸發器翻轉,IC1的3腳由低電平變為高電平,該高電平經R3限流、C2濾波及VS穩壓后,產生4,2V直流電壓,供給語音集成電路IC2和晶體臂。IC2通電工作后輸出語音電信號,該電信號經V和IC3放大后,推動BL發出"請不要吸煙!"的語音警告聲。
2、元器件選擇
Rl-R7選用1/4W碳膜電阻器或金屬膜電阻器。RP1和RP2可選用小型線性電位器或可變電阻器。C1、C2和C4均選用耐壓值為l6V的鋁電解電容器;C3選用獨石電容器。VS選用1/2W、4·2V的硅穩壓二極管。V選用S9013或C8050型硅NPN晶體管。IC1選用NE555型時基集成電路;IC2選用內儲“請不要吸煙!”語音信息的語音集成電路;lC3選用WVH68型升壓功放厚模集成電路。BL選用8Ω、1-3W的電動式揚聲器。氣敏傳感器選用MQK-2型傳感器。
3、制作與調試
該禁止吸煙警示器,可以作為煙霧報警器來檢測火災或用作有害氣體、可燃氣體的檢測報警。調整RP1的阻值,可改變氣敏傳感器的加熱電流 (一般為13OmA左右)。調整RP2的阻值,可改變單穩態觸發器電路動作的靈敏度。
(六)采用555時基電路的簡易溫度控制器
本電路是采用555時基集成電路和很少的外圍元件組成的一個溫度自動控制器。因為電路中各點電壓都來自同一直流電源,所以不需要性能很好的穩壓電源,用電容降壓法便能可靠地工作。電路元件價格低、體積小、便于在業余條件下自制。該電路制作的溫度自動控制器可用于工業生產和家用的電加熱控制,效果良好。
1、電路工作原理
電路原理如圖6所示。

當溫度較低時,負溫度系數的熱敏電阻Rt阻值較大,555時基集成電路(IC)的2腳電位低于Ec電壓的1/3(約4V),IC的3腳輸出高電平,觸發雙向晶閘管V導通,接通電加熱器RL進行加熱,從而開始計時循環。當置于測溫點的熱敏電阻Rt溫度高于設定值而計時循環還未完成時,加熱器RL在定時周期結束后就被切斷。當熱敏電阻Rt溫度降低至設定值以下時,會再次觸發雙向晶閘管V導通,接通電加熱器RL進行加熱。這樣就可達到溫度自動控制的目的。
2、元器件的選擇
電路中,熱敏電阻Rt可采用負溫度系數的MF12型或MF53型,也可以選擇不同阻值和其他型號的負溫度系數熱敏電阻,只要在所需控制的溫度條件下滿足Rt+VR1=2R4()這一關系式即可。電位器VR1取得大一些能獲得較大的調節范圍,但靈敏度會下降。雙向晶閘管V也可根據負載電流的大小進行選擇。其他元件沒有特殊要求,根據電路圖給出參數來選擇。
3、制作和調試方法
整個電路可安裝在一塊線路板上,一般不需要調試,時間間隔為1.1R2×C3,應該比加熱系統的熱時間常數選得小一些,但也不能太小,否則會因為雙向晶閘管V急速導通或關閉而造成過分的射頻干擾。安裝調試完后可裝入一個小塑料盒內,并將熱敏電阻Rt引出至測溫點即可。
(七)采用555時基電路的自動溫度控制器
本電路通過溫度的變化可以對用電設備進行控制其運行的狀態。
1、電路工作原理
電路原理如圖7所示。

IC1 555集成電路接成自激多諧振蕩器,Rt為熱敏電阻,當環境溫度發生變化時,由電阻器R1、熱敏電阻器Rt、電容器C1組成的振蕩頻率將發生變化,頻率的變化通過集成電路IC1 555的3腳送入頻率解碼集成電路IC2 LM567的3腳,當輸入的頻率正好落在IC2集成電路的中心頻率時,8腳輸出一個低電平,使得繼電器K導通,觸點吸合,從而控制設備的通、斷,形成溫度控制電路的作用。
2、元器件的選擇
IC1選用NE555、μA555、SL555等時基集成電路;IC2選用LM567頻率解碼集成電路;VD選用IN4148硅開關二極管; R1選用RTX—1/4W型碳膜電阻器。C1、C2、C3選用CT1瓷介電容器;C4、C5選用CD11—25V型的電解電容器;K選用工作電壓9V的JZC—22F小型中功率電磁繼電器;Rt可用常溫下為51KΩ的負溫度系數熱敏電阻器;RP可用WSW型有機實心微調可變電阻器。
3、制作與調試方法
在制作過程中只要電路無誤,本電路很容易實現,如果元件性能良好,安裝后不需要調試即可用
(八)采用CD4011的超溫監測自動控制電路
該電路結構簡單,制作容易,由一只與非門和一只熱敏電阻組成測控電路和警笛聲發聲電路,由一只繼電器作為執行電路。
1、電路工作原理
電路原理如圖8所示。

測溫電阻RT接在控制門D1的輸入端,它和電阻R1、R2及RP通過RP的分壓調節,使門D1的輸入電平為高電平,使D1輸出為低電平。
使用時,熱敏電阻RT安置于被控設備上,當被控設備溫度超過最高設定溫度時,由于RT阻值小,通過分壓電路的分壓,使D1輸入端的電壓變為低電平,經D1反相為高電平,該高電平一方面加至多諧振蕩器的控制端⑧,使多諧振蕩器起振,通過放大管放大后,由揚聲器發出警笛聲,同時也加至VT1的基極使其導通,繼電器吸和,通過繼電器的常閉觸點將被控設備的工作電源斷開;另一方面經D2反相為低電平后,發光之時管LED構成通路,LED發光指示。
2、元器件的選擇
IC1選用CD4011;VD選用IN4001;VS為穩壓10V的穩壓管;VT1選用9013,VT2選用V40AT;電容C為2000P的陶瓷片電容;繼電器為4099型繼電器;RP選用470K普通可調電位器;電阻選用1/8或1/4W金屬膜電阻器,BL選用8Ω、0.5W電動揚聲器。
3、制作與調試方法
將測溫電阻RT置于最高限制溫度下,調整RP,使其監測電路發出警笛聲并使繼電器吸和工作,然后使RT降溫,警笛聲應當停止。否則應反復調節RP,直至符合要求為止。
(九)數字溫度計電路
本電路是通過應用AD590專用集成溫度傳感器制成的溫度計,具有結構簡單、使用可靠、精度高的特點。
1、電路工作原理
電路原理如圖9所示。

100V的交流電壓通過變壓器T1、整流橋堆UR和電容器C1后,得到一直流電壓,再通過可調穩壓器電路μA723C為溫度傳感器AD590提供穩定的工作電壓。
AD590溫度傳感器是一種新型的電流輸出型溫度傳感器,由多個參數相同的三極管和電阻構成。當傳感器兩端加有某一特定的直流工作電壓時,如果該溫度傳感器的的溫度1攝氏度時,則傳感器的輸出電流變化1μA。
傳感器的變化電流通過電阻器R5和可變電阻器RP2,轉換為電壓信號,輸出到數字表頭,通過數字表顯示出溫度的變化。
2、元器的件選擇
集成電路IC選用AD590型溫度傳感器。本電路其它元器件沒有特殊要求,可根據電路圖給出參數來選擇。
3、制作和調試方法
可通過改變電阻器R5和可變電阻器RP2的值,來改變輸出的靈敏度。
(十)熱帶魚缸水溫自動控制器
熱帶魚缸水溫自動控制器通過運用負溫度系數熱敏電阻器作為感溫探頭,通過加熱氣對魚缸自動加熱。本電路暫態時間取得較小,有利于溫控精度,對各種大小魚缸都適用。
1、電路工作原理
本電路圖如圖10所示。
通過二極管VD2~VD5整流、電容器C2濾波后,給電路的控制部分提供了約12V的電壓。555時基電路接成單穩態觸發器,暫態為11s。
設控制溫度為25oC,通過調節電位器RP使得RP + Rt = 2R1,Rt為負溫度系數的熱敏電阻。當溫度低于25oC時,Rt阻值升高,555時基電路的2腳為低電平,則3腳由低電平輸出變為高電平輸出,繼電器K導通,觸點吸合,加熱管開始加熱,直到溫度恢復到25oC時,Rt阻值變小,555時基電路的2腳處于高電平,3腳輸出低電平,繼電器K失電,觸點斷開,加熱停止。

2、元器件的選擇
IC選用NE555、μA555、SL555等時基集成電路;VD1選用IN4148硅開關二極管;LED選用普通發光二極管;VD2~VD5選用IN4001型硅整流二極管;Rt選用常溫下470Ω MF51型的負溫度系數熱敏電阻器;RP選用WSW有機實心微調電位器;R1、R2選用RXT—1/8W型碳膜電阻器;C1、C3選用CD11—16V型電解電容器;C2選用CT1瓷介電容器;K選用工作電壓12V的JZC—22F小型中功率電磁繼電器。
3、制作與調試方法
溫度傳感探頭用塑料電線將熱敏電阻器Rt連接好,然后用環氧樹脂膠將焊接點與Rt一起密封,這樣就不怕水的侵蝕。在制作過程中只要電路無誤,本電路很容易實現,如果元件性能良好,安裝后不需要調試即可用。
電路圖分類
(一)原理圖
又被叫做“電原理圖”。這種圖,由于它直接體現了電子電路的結構和工作原理,所以一般用在設計、分析電路中。分析電路時,通過識別圖紙上所畫的各種電路元件符號,以及它們之間的連接方式,就可以了解電路實際工作時的原理,原理圖就是用來體現電子電路的工作原理的一種工具。
(二)方框圖
簡稱框圖,方框圖是一種用方框和連線來表示電路工作原理和構成概況的電路圖。從根本上說,這也是一種原理圖,不過在這種圖紙中,除了方框和連線,幾乎就沒有別的符號了。
(三)裝配圖
它是為了進行電路裝配而采用的一種圖紙,圖上的符號往往是電路元件的實物的外形圖。我們只要照著圖上畫的樣子,依樣畫葫蘆地把一些電路元器件連接起來就能夠完成電路的裝配。
(四)印板圖
印板圖的全名是“印刷電路板圖”或“印刷線路板圖”,它和裝配圖其實屬于同一類的電路圖,都是供裝配實際電路使用的。 印刷電路板是在一塊絕緣板上先覆上一層金屬箔,再將電路不需要的金屬箔腐蝕掉,剩下的部分金屬箔作為電路元器件之間的連接線,然后將電路中的元器件安裝在這塊絕緣板上,利用板上剩余的金屬箔作為元器件之間導電的連線,完成電路的連接。
烜芯微專業制造二極管,三極管,MOS管,20年,工廠直銷省20%,1500家電路電器生產企業選用,專業的工程師幫您穩定好每一批產品,如果您有遇到什么需要幫助解決的,可以點擊右邊的工程師,或者點擊銷售經理給您精準的報價以及產品介紹
烜芯微專業制造二極管,三極管,MOS管,20年,工廠直銷省20%,1500家電路電器生產企業選用,專業的工程師幫您穩定好每一批產品,如果您有遇到什么需要幫助解決的,可以點擊右邊的工程師,或者點擊銷售經理給您精準的報價以及產品介紹

