元器件封裝
元器件封裝,就是指把硅片上的電路管腳,用導線接引到外部接頭處,以便與其它器件連接·封裝形式是指安裝半導體集成電路芯片用的外殼。它不僅起著安裝、固定、密封、保護芯片及增強電熱性能等方面的作用,而且還通過芯片上的接點用導線連接到封裝外殼的引腳上,這些引腳又通過印刷電路板上的導線與其他器件相連接,從而實現內部芯片與外部電路的連接。因為芯片必須與外界隔離,以防止空氣中的雜質對芯片電路的腐蝕而造成電氣性能下降。另一方面,封裝后的芯片也更便于安裝和運輸。
一、元器件封裝按照安裝的方式不同可以分成兩大類
(1) 直插式元器件封裝
直插式元器件封裝的焊盤一般貫穿整個電路板,從頂層穿下,在底層進行元器件的引腳焊接,如圖所示。

典型的直插式元器件及元器件封裝如圖所示。

(2)表貼式元器件封裝。
表貼式的元器件,指的是其焊盤只附著在電路板的頂層或底層,元器件的焊接是在裝配元器件的工作層面上進行的,如圖所示。

典型的表貼式元器件及元器件封裝如圖所示。
在PCB元器件庫中,表貼式的元器件封裝的引腳一般為紅色,表示處在電路板的頂層(TopLayer)。
在PCB元器件庫中,表貼式的元器件封裝的引腳一般為紅色,表示處在電路板的頂層(Top Layer)。
二、常用元器件的原理圖符號和元器件封裝
在設計PCB的過程中,有些元器件是設計者經常用到的,比如電阻、電容以及三端穩壓源等。在Protel 99 SE中,同一種元器件雖然相同電氣特性,但是由于應用的場合不同而導致元器件的封裝存在一些差異。
電阻由于其負載功率和運用場合不同而導致其元器件的封裝也多種多樣,這種情況對于電容來說也同樣存在。因此,本節主要向讀者介紹常用元器件的原理圖符號和與之相對應的元器件封裝,同時盡量給出一些元器件的實物圖,使讀者能夠更快地了解并掌握這些常用元器件的原理圖符號和元器件封裝。(1)、電阻。 電阻器通常簡稱為電阻,它是一種應用十分廣泛的電子元器件,其英文名字為“Resistor”,縮寫為“Res”。
電阻的種類繁多,通常分為固定電阻、可變電阻和特種電阻3大類。固定電阻可按電阻的材料、結構形狀及用途等進行多種分類。電阻的種類雖多,但常用的電阻類型主要為RT型碳膜電阻、RJ型金屬膜電阻、RX型線繞電阻和片狀電阻等。固定電阻的原理圖符號的常用名稱是“RES1”和“RES2”,如圖F1-5(a)所示。
常用的引腳封裝形式為AXIAL系列,包括AXIAL-0.3、AXIAL-0.4、AXIAL-0.5、AXIAL-0.6、AXIAL-0.7、AXIAL-0.8、AXIAL-0.9和AXIAL-1.0等封裝形式,其后綴數字代表兩個焊盤的間距,單位為“英寸”,如圖F1-5(b)所示。常用固定電阻的實物圖如圖F1-5(c)所示。

(a)常用的電阻原理圖符號

(b)常用的電阻封裝

(c)常用的固定電阻實物 圖F1-5固定電阻 如“AXIAL-0.3”封裝的具體意義為固定電阻封裝的焊盤間的距離為0.3英寸(=300mil),即為7.62mm。一般來講,后綴數字越大,元器件的外形尺寸就越大,說明該電阻的額定功率就越大。 電位器屬于可變電阻,是一種連續可調的電阻器,它的電阻值在一定范圍內是連續可調的,如圖F1-6所示。

(a)可變電阻的原理圖符號

(b)常用的可變電阻的元器件封裝 圖F1-6 可變電阻的原理圖符號和元器件封裝電位器的種類極多,常見的電位器主要有兩種,即線繞電位器和碳膜電位器。除了上述較為常見的電阻外,還有運用在特殊場合的電阻,如熱敏電阻、濕敏電阻和壓控電阻等。此外,還有將多個電阻集成在一個封裝內,從而形成電阻橋,以及各種電阻排,如圖F1-7所示。

(a)電阻橋的原理圖符號及對應的元器件封裝

(b)電組排的原理圖符號、元器件封裝和元器件實物 圖F1-7 各種電阻排 由于電阻的工作環境多種多樣,并且所能實現的功能也比較多,因此它的電阻的種類和型號就比較多,設計者在具體選用的時候就需要按實際情況進行選型。
(2) 電容。電容也是經常使用的元器件之一,根據電容的制作材料的不同,電容可分為鉭電容、瓷片電容、獨石電容、CBB電容和電解電容等。根據電容的極性的不同,可分為有無極性電容和有極性電容等。根據電容值是否可調還可分為固定電容和可調電容。下面主要按照無極性電容和有極性電容來介紹常用的電容器。
無極性電容的原理圖符號如圖F1-8(a)所示,對應的封裝形式為RAD系列,從RAD-0.1到RAD-0.4,后綴數字代表焊盤間距,單位為英寸,如圖F1-8(b)所示。比如“RAD-0.2”表示焊盤間距為0.2英寸(=200mil)的無極性電容封裝。常見的無極性電容主要有瓷片電容、獨石電容和CBB電容,其元器件實物如圖F1-8(c)、(d)、(e)所示。

(a)無極性電容的原理圖符號

(b)常用的元器件封裝

(c)瓷片電容

(d)獨石電容
(e)CBB電容 圖F1-8 無極性電容常見的有極性電容為電解電容。電解電容對應的封裝形式為RB系列,從“RB-.2/.4”到“RB-.5/1.0”,前一個后綴數字的表示焊盤間距,后一個后綴數字代表電容外形的直徑,單位都為英寸。一般來講,標準尺寸的電解電容的外形尺寸是焊盤間距的兩倍。但是,在Protel 99 SE中,也有用毫米作為單位的,如“RB5-10.5”。元器件實物如圖F1-9所示。

(a)電解電容的常用原理圖符號

(b)電解電容常用的元器件封裝

(c)電解電容的實物照片 圖F1-9 電解電容 一般地,電容封裝形式名稱的后綴數值越大,相應的電容容量也越大,如圖F1-9所示。(3) 二極管。二極管的種類繁多,根據應用的場合不同可以分為普通二極管、發光二極管、穩壓二極管、快恢復二極管以及二極管指示燈、由多個發光二極管構成的七段數碼管等,如圖F1-10所示。

(a)普通二極管(穩壓二極管)

(b)發光二極管

(c)二極管指示燈
d)七段數碼管 圖F1-10 常見的二極管
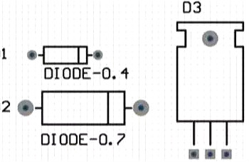
原理圖中二極管元器件的常用名稱為“DIODE”(普通二極管)、“DIODE SCHOTTKY”(肖特基二極管)、“DIODE TUNNEL”(隧道二極管)、“DIODE VARACTOR”(變容二極管)和“ZENER1~3”(穩壓二極管)等,如圖F1-11(a)所示。常見的二極管封裝有“DIODE-0.4”、“DIODE-0.7”和“TO-220”,其中“DIODE-0.4”指的是普通二極管的焊盤間距為“0.4英寸”,即“10.16mm”,如圖F1-11(b)所示。

(a)二極管的原理圖符號

(b)穩壓二極管的原理圖符號

(c)二極管的常用元器件封裝 圖F1-11 二極管的原理圖符號和元器件封裝(4) 三極管。普通三極管可根據其構成的PN結的方向不同,分為NPN型和PNP型。這兩種類型的晶體管外形完全相同,都包括3個引腳,即b(基極)、c(集電極)和e(發射極),但是其原理圖符號卻不一樣,如圖F1-12所示。三極管的原理圖符號的常用名稱有“NPN”、“NPN1” 和“PNP”、“PNP1”等。

在功率放大電路中,設計者為了實現在微小信號作為激勵源時得到很大的增益,往往需要采用具有較大放大倍數的晶體管,達林頓復合管就是運用在這種場合的晶體管。普通的達林頓復合管是將兩個晶體管集成在一個元器件封裝里,有的復合管還同時集成了保護二極管和偏置電阻等。同普通三極管一樣,達林頓復合管同樣包括NPN型和PNP型,如圖F1-12所示。
三、 常用元器件及元器件封裝總結
下面的對常用元器件及其所有元器件封裝進行一下總結。
(1) 電阻:電阻的原理圖符號可以選用“RES1”、“RES2”、“RES3”、“RES4”中任何一個,對應的電阻封裝為AXIAL系列,比如“AXIAL-0.3”到“AXIAL-0.7”,其中0.4和0.7指電阻封裝的焊盤間距,一般用“AXIAL0.4”封裝。
(2)無極性電容:常用的原理圖符號為CAP,對應的電容封裝為RAD系列,如“RAD-0.1”到“RAD-0.4”,其中0.1和0.4指電容大小,一般用“RAD0.2”。
(3) 電解電容:電解電容的原理圖符號可以使用“ELECTRO1”、“ELECTRO2”、“ELECTRO3”中的任何一個。電解電容對應的元器件封裝為RB系列,如“RB.1/.2”到“RB.5/1.0”,其中“.1/.2”分別指電容的焊盤間距和外形尺寸。
(4)電位器:電位器的原理圖符號為“POT1”,“POT2”,對應的電位器封裝為“VR-1”到“VR-5”。
(5)二極管:二極管的原理圖符號為“DIODE”,對應的二極管的封裝為封裝屬性系列,如“DIODE-0.4”(小功率)到“DIODE-0.7”(大功率),其中0.4和0.7指二極管的焊盤間距,一般用“DIODE0.4”。值得一提的是,普通的發光二極管的元器件封裝為“RB.1/.2”。
(6)三極管:普通三極管的原理圖符號為NPN或PNP,常見的三極管封裝為“TO-92B”,而大功率三極管可用“TO-220”、“TO-3”等元器件封裝。
(7)三端穩壓源:三端穩壓源有78和79系列,78系列如“7805”,“7812”和“7820”等,79系列有“7905”、“7912”和“7920”等,比較常用的元器件封裝為“TO-220”。
(8)整流橋:整流橋的原理圖符號為“BRIDGE1”,“BRIDGE2”,常用的元器件封裝為“ ”。
(9)集成電路芯片:常用的元器件封裝為DIP4到DIP40,其中4和40指有多少腳,4腳的就是“DIP4”。此外,這里還需要補充一點就是貼片電阻。貼片電阻的元器件封裝通常采用數字來表示,比如“0805”。這里0805表示的貼片電阻的封裝尺寸,與具體阻值沒有關系,而與功率有關。一般情況下,部分貼片電阻的封裝尺寸與其功率有以下對應關系。
元器件封裝工藝流程
元器件封裝工藝流程:
結構方面:TO->DIP->PLCC->QFP->BGA ->CSP;
材料方面:金屬、陶瓷->陶瓷、塑料->塑料;
引腳形狀:長引線直插->短引線或無引線貼裝->球狀凸點;
裝配方式:通孔插裝->表面組裝->直接安裝
烜芯微專業制造二極管,三極管,MOS管,橋堆等20年,工廠直銷省20%,1500家電路電器生產企業選用,專業的工程師幫您穩定好每一批產品,如果您有遇到什么需要幫助解決的,可以點擊右邊的工程師,或者點擊銷售經理給您精準的報價以及產品介紹
烜芯微專業制造二極管,三極管,MOS管,橋堆等20年,工廠直銷省20%,1500家電路電器生產企業選用,專業的工程師幫您穩定好每一批產品,如果您有遇到什么需要幫助解決的,可以點擊右邊的工程師,或者點擊銷售經理給您精準的報價以及產品介紹

