在幾乎所有的工業控制系統中,變頻器(VFD)/逆變器通常安裝在電機的前端,以便調節速度和節約能源。根據不同的輸入電壓要求,逆變器通常分為低壓(110V、220V、380V等)、中壓(690V、1140V、2300V等)和高壓(3kV、3.3kV、6kV、6.6kV、10kV等)。
由于變頻器/逆變器是提供電力的關鍵組件,因此其性能和可靠性對于不間斷電源是至關重要的。本操作說明書重點介紹在惡劣條件下也能確保VFD可靠性和正常工作的TVS二極管。

圖1 帶有保護組件的典型三相變頻器/逆變器拓撲結構
圖1中,橙色方框突出顯示用于過流或短路保護的交流線路熔斷器。欲了解如何選擇熔斷器的詳細信息,請參閱“Littelfuse熔斷器選擇指南”。藍色方框標識了用于防止由于雷擊或電源諧波電壓中斷的瞬態抑制器。金屬氧化物壓敏電阻(MOV)因其鉗位特性和高功率容量而被廣泛使用。所需的MOV額定值將取決于預期的浪涌電流水平和交流電路拓撲結構。例如,如圖1所示,如果連接交流380V電源,為了滿足3kA(8 /20μs處)的雷擊浪涌要求,可采用三個V20E250P(250V)UltraMOV®高浪涌電流徑向引線式壓敏電阻進行線對線(差模)保護,單個V20E550P(550V)UltraMOV高浪涌電流徑向引線式壓敏電阻可用于線對地(共模)保護。三個MOV以星形連接并與另一個對地MOV分開將增強線到線和線對地保護。
選擇MOV時,鉗位電壓也必須加以考慮。對于這種情況,當兩個串聯的V20E250P壓敏電阻提供差動保護時,其合成鉗位電壓約為1400V。對于整流二極管、電容器和IGBT(絕緣柵雙極晶體管),額定電壓應大于這個值,以便為整個系統提供足夠的電壓保護。
有時,為整個系統提供電壓保護可能是非常困難的,特別是對于600V或更高的高電力線電壓應用。對于這些情況,Littelfuse提出了額外的(或次級)高功率TVS二極管提供準確的低電壓鉗位能力,為整流二極管、電容器和IGBT提供差模保護。

圖2 帶有TVS二極管的380V三相變頻器 /逆變器拓撲結構
如圖2中的粉紅色方框所示,可以添加兩個AK3-380C TVS二極管,以在最大3kA(8 /20μs處)浪涌電流期間提供差模保護。AK3-380是一款額定電壓為3kA(8 /20μs處)的雙向高功率TVS二極管,斷態電壓為380V。兩個AK3-380C TVS二極管的最大鉗位電壓是1040V,遠遠低于MOV的最大鉗位電壓。因此,它們可以為6單元IGBT提供極好的浪涌保護,同時保持電路處于正常工作狀態。這些TVS二極管為設計人員選擇整流二極管和IGBT提供了更大靈活性。
現在,我們再重新看看圖1。紅色方框突出了交直流整流二極管。綠色方框標識直流母線過壓的制動斬波器電路(請查閱IGBT制造商的操作說明書,以根據相關指南選擇這些器件的合適型號)。紫色方框顯示用于負載供電的IGBT橋式交直流逆變器。
1 IGBT保護
IGBT兼具功率晶體管和功率MOSFET的優點。它在高頻率工作,驅動和斷開都非常簡便;然而,它也有一個缺點。通常情況下,兩個部分均需要進行保護以實現穩健的設計:
• 由于柵極是MOS結構,所以很容易被靜電放電(ESD)、電快速瞬變(EFT)或密勒效應引起的過電壓損壞。
• 在高功率/大電流應用中,器件斷開時,IGBT端子C和端子E可能發生高壓浪涌。
由于密勒電容((CGC)的存在,當通過脈沖開關信號驅動IGBT的柵極時,會產生很高的過壓,從而損壞IGBT的柵極。為了在過壓事件中保護柵極,通常會使用一個雙向600W TVS二極管,如圖3所示。例如,在一個通常需要+ 15V偏壓才能開啟器件以及需要-15V偏壓才能將其斷開的應用中,可使用SMBJ16CA瞬態抑制二極管,有助于確保電壓保持低于±20V的最大VGE。SMBJ16CA TVS二極管的VBR約為17.8?19.7V,低于20V的最大值。在某些情況下,當IGBT由單極驅動器驅動時,應使用單向TVS SMBJ16A TVS二極管。

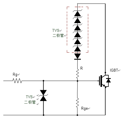
圖3 IGBT柵極保護
有源鉗位是一種可在IGBT關斷時使瞬態過壓保持低于臨界極限的技術。如圖4所示,有源鉗位的標準方法是使用連接在輔助集電極和IGBT柵極之間的TVS二極管。當集電極 - 發射極電壓超過TVS二極管擊穿電壓時,TVS二極管開始導通,這個電流加起來即為IGBT驅動器輸出電流的值并導致柵極 - 發射極電壓增加。因此,IGBT仍處于有源模式,關斷過程延長。增加有源鉗位TVS二極管,會減慢IGBT集電極電流的變化率,從而限制電壓過沖并降低IGBT關斷過壓ΔVCE。因此,TVS二極管串聯鉗位過沖電壓特別適用于VCE超過1200V的高壓IGBT。
多年來有源鉗位已廣泛使用于在關斷事件期間限制IGBT的集電極 - 發射極電壓。當IGBT的集電極 - 發射極電壓超過預先設定的閾值時,IGBT部分導通。然后,IGBT在線性工作中保持,從而減小集電極電流的下降速率,由此降低集電極 - 發射極過壓(參見圖5中實線,較小斜率的IC、較長的VGE和VCE的鉗位值) 。
但是,如果在關斷期間沒有實施在IGBT集電極的TVS二極管對柵極關斷,則VGE的關斷將導致集電極和柵極兩端的電壓突然升到太高的水平,這種情況會造成IGBT故障(見圖5中的虛線)。

圖4 有源鉗位功能
如圖5所示,隨著添加有源鉗位電路后,VGE浪涌電壓下降。但是,設計師如何才能計算出提供這種浪涌保護所需的TVS二極管的數量呢? 以下示例可能對您有所幫助。

圖5 浪涌電壓比較
如圖6所示,IGBT的1300V浪涌電壓有0.5μs的浪涌時間和0.5ms的間隔時間。

圖6 浪涌電壓波形
正常情況下,對于1200V的IGBT保護電壓,直流工作電壓小于600V,所以選用800V(VBR?900V)的TVS二極管組合是可以接受的。不妨假設這個1300V的浪涌電壓在TVS二極管中會產生5A的浪涌電流 (產生的電流水平還取決于RGE和R的值)。
下面的公式可以用來粗略地估計浪涌脈沖功率水平:
平均 PD=VBR×IPP×tP/T=900×5×0.5/500=4.5W
就這個例子而言,可以使用SMCJ TVS二極管,因為它具有RΘJA75°C/W的熱阻抗,所以如果該電機在50°C的環境最大值下工作,那么每個SMCJ容許的最大功率是(150-50)/75=1.33W。
所需TVS二極管數量將通過計算4.5 / 1.33 = 3.38pcs來確定,所以至少應有四個TVS二極管進行串聯以獲得足夠的余量。每個TVS VBR應該共享900/4 = 225V。結果,在這種情況下建議使用四個1.5SMC220A TVS二極管。注意,TVS系列的選擇也是基于R和RGE的實際值。實際工作條件下也可使用較低額定值的瞬態抑制二極管(如SMAJ或SMBJ等)。
烜芯微專業制造二極管,三極管,MOS管,橋堆等20年,工廠直銷省20%,4000家電路電器生產企業選用,專業的工程師幫您穩定好每一批產品,如果您有遇到什么需要幫助解決的,可以點擊右邊的工程師,或者點擊銷售經理給您精準的報價以及產品介紹
烜芯微專業制造二極管,三極管,MOS管,橋堆等20年,工廠直銷省20%,4000家電路電器生產企業選用,專業的工程師幫您穩定好每一批產品,如果您有遇到什么需要幫助解決的,可以點擊右邊的工程師,或者點擊銷售經理給您精準的報價以及產品介紹

