1.半導體三極管非門
(1)電路組成及符號
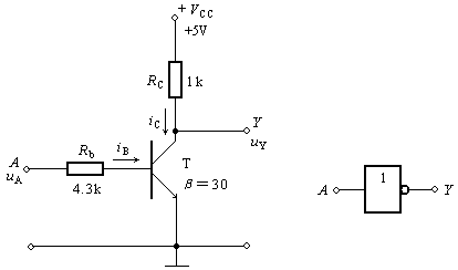
如圖3.11所示是半導體三極管非門電路及符號。UA是輸入信號,其低電平為0V,高電平為5V,UY是輸出信號,VCC是電源電壓。


圖3.11 三極管非門電路
(2)工作原理
①UA=UiL=0V時,三極管T顯然是截止的,因此IB=0、IC=0,所以UY=UOH=VCC=5V。
②UA=UiH=5V時
IB= UiH –UBE 5 –0.7 1mA
Rb 4.3
IBS≈ MA
由于IB>IBS,所以T飽和導通,有UY=UOL=UCES≤0.3V。整理分析估算結果可得圖3.11(A)所示電路的輸入、輸出電壓關系表,見表3.7。若用A、Y分別表示UA、UY,用0表示低電平,用1表示高電平,則可得如表3.8所示真值表。由表3.8可知,圖3.11(A)所示電路實現了非邏輯運算,是一個由半導體三極管組成的非門電路。
烜芯微專業制造二極管,三極管,MOS管,橋堆等,20年,工廠直銷省20%,1500家電路電器生產企業選用,專業的工程師幫您穩定好每一批產品,如果您有遇到什么需要幫助解決的,可以直接聯系上方的聯系號碼或加QQ,由我們的銷售經理給您精準的報價以及產品介紹
烜芯微專業制造二極管,三極管,MOS管,橋堆等,20年,工廠直銷省20%,1500家電路電器生產企業選用,專業的工程師幫您穩定好每一批產品,如果您有遇到什么需要幫助解決的,可以直接聯系上方的聯系號碼或加QQ,由我們的銷售經理給您精準的報價以及產品介紹

