1. MOS管開關電路
學習過模擬電路的人都知道三極管是流控流器件,也就是由基極電流控制集電極與發射極之間的電流;而MOS管是壓控流器件,也就是由柵極上所加的電壓控制漏極與源極之間電流。
MOSFET管是FET的一種,可以被制造為增強型或者耗盡型,P溝道或N溝道共四種類型,但實際應用的只有增強型的N溝道MOS管和增強型的P溝道MOS管。實際應用中,NMOS居多。


圖1 左邊是N溝道的MOS管,右邊是P溝道的MOS管
**寄生二極管的方向如何判斷呢?**它的判斷規則就是對于N溝道,由S極指向D極;對于P溝道,由D極指向S極。


如何分辨三個極?
D極單獨位于一邊,而G極是第4PIN。剩下的3個腳則是S極。
它們的位置是相對固定的,記住這一點很有用。
請注意:不論NMOS管還是PMOS管,上述PIN腳的確定方法都是一樣的。






MOS管導通特性
導通的意思是作為開關,相當于開關閉合。
NMOS的特性:Vgs大于某一值管子就會導通,適合用于源極接地時的情況(低端驅動),只要柵極電壓達到4V就可以了。
PMOS的特性:Vgs小于某一值管子就會導通,適合用于源極接VCC時的情況(高端驅動)。
下圖是MOS管開關電路,輸入電壓是Ui,輸出電壓是Uo。
當Ui較小時,MOS管是截止的, Uo=Uoh=Vdd;
當Ui較大時,MOS管是導通的, Uo =Ron/(Ron+Rd)*Vdd,由于Ron<>


應用實例:
以下是某筆記本主板的電路原理圖分析,在此mos管是開關作用:
PQ27控制腳為低電平,PQ27截止,而右側的mos管導通,所以輸出拉低;


電路原理分析:
PQ27控制腳為高電平,PQ27導通,所以其漏極為低電平,右側的mos管處于截止狀態,所以輸出為高電平。


整體看來,兩個管子的搭配作用就是高低電平的切換,這個電路來自于筆記本主板的電路,但是這個電路模塊也更常見于復雜電路的上電時序控制模塊,GPIO的操作模塊等等應用中。
2. MOS管的隔離作用
MOS管實現電壓隔離的作用是另外一個非常重要且常見的功能,隔離的重要性在于:擔心前一極的電流漏到后面的電路中,對電路系統的上電時序,處理器或邏輯器件的工作造成誤判,最終導致系統無法正常工作。因此,實際的電路系統中,隔離的作用非常重要。


比如,上下兩個圖就是通過源極的高低電平來控制MOS管的通斷,來實現信號電平的隔離,因為MOS管有體二極管,并且是反向的,所以并不會有信號通過MOS管漏過去。這是一個非常經典的電路,并且可以通過搭配衍生出很多實用的電路。


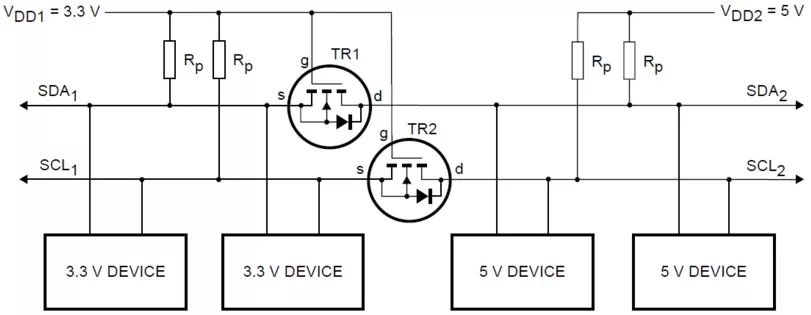
比如,下面這個IIC總線中電平轉換電路,其實跟上面的電路存在極大的相似性。


電路分析:
SDA1為高電平(3V3)時,TR1截止,SDA2輸出為高電平(5V);
SDA1為低電平(0V)時,TR1導通,SDA2輸出為低電平。
總結:
在筆記本主板上用到的NMOS可簡單分作兩大類:
信號切換用MOS管: Ug比Us大3V---5V即可,實際上只要導通即可,不必須飽和導通。
電壓通斷用MOS管: Ug比Us應大于10V以上,而且開通時必須工作在飽和導通狀態。
烜芯微專業制造二極管,三極管,MOS管,橋堆等,20年,工廠直銷省20%,1500家電路電器生產企業選用,專業的工程師幫您穩定好每一批產品,如果您有遇到什么需要幫助解決的,可以直接聯系上方的聯系號碼或加QQ,由我們的銷售經理給您精準的報價以及產品介紹
烜芯微專業制造二極管,三極管,MOS管,橋堆等,20年,工廠直銷省20%,1500家電路電器生產企業選用,專業的工程師幫您穩定好每一批產品,如果您有遇到什么需要幫助解決的,可以直接聯系上方的聯系號碼或加QQ,由我們的銷售經理給您精準的報價以及產品介紹

