多數用到直流-直流轉換器或電機變頻器的產品設備必須對市電交流電壓進行整流處理,例如,大多數工業設備(電機轉速控制器、充電器、電信系統電源等)和常見的消費電子產品(白色家電、電視、計算機等)。
傳統二極管整流橋是最常用的交流電壓整流解決方案。整流橋后面經常會增加一個功率因數控制器,以確保市電電流的波形近似于正弦波。不過,二極管整流橋無法控制涌流。用兩個可控硅整流管(SCR)替代兩個二極管,新的控制型整流橋可以限制連接市電時的涌流。
本文提出幾個前端拓撲以及一些與混合式整流橋和有效防止過壓相關的設計技巧。實驗結果證明,4kV至6kV浪涌電壓耐受設計是很容易實現的,而且成本也不高。
涌流限制方案(ICL)和待機功耗問題
二極管整流橋的缺點是無法控制浪涌電流,這是因為在插入市電插座時,直流輸出電容會突然充電。
強涌流可能會給系統帶來很多問題,例如,保險失效、二極管等元件損壞,同時還會在電網上產生過多的電流應力。如果不對涌流加以限制,啟動電流上升速率很快,很容易達到穩態電流的10-20倍,因此,必須提高線路元器件的參數,使其能夠短時間傳輸大電流。此外,線路電流突然提升將會導致電壓驟降,電壓波動將會降低其它負載的輸入功率。連接在同一條線路的燈具或顯示屏將會忽明忽暗,出現閃爍或閃屏現象。為避免這些有害現象,IEC61000-3-3電磁標準規定了最大容許電壓波動和最大容許涌流。
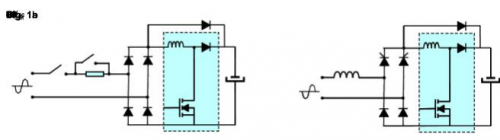
為了達到這個標準要求,常用限流方法是采用一個阻值固定的電阻器或一個熱敏電阻器(圖1a中的RLIM)限制電容器涌流。熱敏電阻器通常具有負溫度系數特性(NTC),因此,熱敏電阻在低溫即啟動時阻抗大,穩態時阻抗小。為了在穩態時控制電阻本身消耗的功率,需要選用低阻值的電阻器。一個更好的解決辦法是給電阻并聯一個開關,構成一個旁路,在穩態時接通開關,電流繞過電阻。
這種旁路開關通常采用機械繼電器(圖1a中的S2)。這個解決方案的缺點是RLIM電阻始終連接市電線路,即使應用設備進入待機模式,也照常給二極管整流橋供電。因為直流電容器(C)仍然處于充電狀態,所以存在待機功率損耗。為降低功率損耗,有必要給市電線路串聯一個開關(圖1a中的S1),該開關在設備進入待機模式時開路,這樣就能斷開二極管整流橋與線路的連接。
混合式整流橋是一個更加智能的涌流限制解決方案,如圖1b所示。利用可控硅整流管(SCR)的漸進式軟啟動,向輸出電容慢速充電,從而實現對涌流的限制。在線路電壓的每半個周期結束時激活可控硅整流管,這時施加到電容器的電壓被降低。通過逐漸降低可控硅整流管導通延時,延長可控硅整流管導通時間,以此提高直流電容器上的施加的電能。
如果給線路串聯一個電感器(圖1b中的L),這個解決方案就會奏效。在實際應用中,這個電感器是免費的,因為基于直流橋的應用多數都有開關式電源或電機變頻器,不管是哪一種,都需要一個高頻開關濾波器。多數EMI濾波器都有一個共模電感器,產生雜散差分式電感。
這個解決方案還需要一個輔助電源,用于在直流輸出電容器充電前給微控制器供電,確??煽毓枵鞴艿能泦硬僮鳌?br />


圖1:基于電阻器和繼電器的電涌限流電路(a)和基于混合整流橋的電涌限流電路(b)
因此,這個限制涌流并控制待機損耗整體方案是用兩個可控硅整流管替代一個限流電阻器和兩個繼電器。與機械繼電器技術相比,半導體固態繼電器成本低廉,并克服了機械繼電器的下列缺點:
·線圈導致的控制電流消耗大
·機械振動導致的開關開路
·機械觸點產生的聲學噪聲
·在易燃環境引起火災(開關電弧)
·可靠性低(在高直流電壓或電流時的繼電器開關操作)
前端保護向浪涌電壓過渡
像二極管整流橋一樣,混合式整流橋也與市電插座直接相連,如果有浪涌電壓,很可能會燒毀整流橋和PFC芯片(例如,圖1中的旁通二極管D4)。
按照IEC61000-4-5標準描述的抗浪涌沖擊實驗步驟,必須施加不同相角的正負浪涌電壓。
在市電峰壓時施加正浪涌電壓
我們在90°相角施加4KV正浪涌電壓,如圖2的示意圖所示(無PFC)。為模擬最惡劣的應用環境,我們為L選用一個2µH電感,C是一個100µF電容??煽毓枵鞴苁莾蓚€50A的TN5050H-12WY,而D1、D2和D4二極管(PFC旁通二極管)是STBR6012-Y整流管。
在90°相角時,T1和D1導通。浪涌提高電流,并致使D4導通,因為PFC電感保持電壓。浪涌電流旁通二極管D4,避免燒毀PFC續流二極管(D3)。


圖2:正浪涌電壓期間的過流應力(示意圖,D4是PFC旁通二極管)
如圖2所示,在浪涌期間,T1電流峰值達到1730A(D1和D4電流也同樣達到這個數值)。電流脈寬相當于30µs長的半正弦波。這個電流應力數值遠遠低于STBR6012-Y和TN5050H-12WY的承受范圍。
如果施加的涌流高于可控硅整流管或二極管的電流耐受能力范圍,有兩種方法可以降低過流(兩種方法可一起使用):
·提高差分電感的方法雖然有助于降低峰值電流,但也會使過流脈寬小幅提高。
·在線路輸入端加一個變阻器,有助于降低電路受到的峰壓沖擊,同時也會降低過流。
如圖2所示所示,浪涌電流將VDC輸出電壓提升到650V。這個電壓反向施加到T2(因為當T1導通時,二極管D1也同時導通)和D2。因此,必須使用至少800V的器件,TN5050H-12WY和STBR6012-Y是1200V,電壓裕度很高。
如果反向電壓超出可控硅整流管或二極管的耐受范圍,用一個電容值更大的輸出電容或內部寄生效應很低的電容串聯一個電阻器,可以更有效地控制浪涌電壓。
在市電峰壓時施加負浪涌電壓
如果施加的負浪涌電壓是90°相角,混合式整流橋的工作方式就有點復雜了。
圖3所示給出了這種情況的電路通斷序列:
·A階段:在浪涌施加前混合式整流橋正常工作,VAC是正電壓,T1和D1導通,線路電流(IL,綠色虛線)從L流至N,途經T1、D1和輸出電容。
·B階段:施加負浪涌電壓,因此VAC極性變負,這意味著,負電流(紅色虛線)將從N流至L。
·C階段:在VAC電壓變負后,線路電流下降。當IL電流過零時,D1關斷。這意味著,現在整個線路電壓被施加到T2(VT2紅色箭頭)。
C階段必須謹慎處理。實際上,如果電壓高于可控硅整流管的擊穿電壓,器件可能被燒毀。


圖3:90°負浪涌電壓測試混合整流橋的工作序列
基于Transil的保護機制
在可控硅整流管的陽極和柵極之間連接一個過壓保護器件Transil(圖4),可以防止T2在C階段被燒毀。在C階段,電壓將會上升到Transil的擊穿電壓(VBR),觸發Transil二極管導通,向可控硅整流管柵極施加電流。然后,可控硅整流管導通。圖4描述了這種操作:
·A階段:在第1點結束,VAC電壓變負。
·B階段:在第2點結束,線路電流電壓過零。
·C階段:T2在第3點導通,電壓高于Transil擊穿電壓,施加到T2的電壓最大值被限制在430V。然后D2也導通,施加浪涌,給輸出電容充電。
·D階段在第4點后開始。浪涌電流通過T2、D2和D4施加到輸出電容。T1和D1關斷


圖4:基于TN5050H-12WY可控硅整流管的混合式整流橋90°1kV負浪涌電壓測試
我們在測試中選用一個1,5KE400CA的Transil二極管。這個二極管可將鉗位電壓的峰值限制到一個極低的水平(430V),這一點特別重要。在C階段,D1上的負電壓絕對值是VT2與VDC之和。如果輸出直流電壓是325V,則D1上的負電壓最大值是755V(在STBR6012-Y的容許范圍內)。電壓值更高的Transil或低電能Transil(1,5KE400CA是一個1500WTransil)將會引起更高的鉗位電壓,導致更高的電壓施加到D1上。
在T2的柵極與陰極之間連接的電阻器用于分流Dztransil二極管輸出的電流,避免dV/dt引起的雜散觸發。
基于變阻器的保護機制
如果不想讓可控硅整流管在電壓高于430V時導通,或者當可控硅整流管被Transil觸發時,如果浪涌電流高于SCRITSM值,我們還有一個解決辦法,即在整流橋輸入端,將Transil二極管改為電壓抑制器,例如,金屬氧化物變阻器(圖4中的綠色虛線)。變阻器置于EMI濾波器之后,濾波器阻抗(特別是共式扼流圈的差分式電感)可以限制變阻器吸收電流。
并聯多個變阻器以更好地限制浪涌電壓,避免在施加90°相角負浪涌電壓時T2導通(在施加270°相角正浪涌電壓時T1導通)。
浪涌電壓耐受能力取決于變阻器的能否將浪涌電壓限制在T1/T2可控硅整流管的VDSM/VRSM和D1/D2二極管的VRRM以下。可控硅整流管過流不再一個難題。例如,并聯四個385V14mm金屬氧化物變阻器(MOV),連接一個典型的EMI濾波器,當浪涌電壓達到6kV時,混合式整流橋的電壓限制在1100V,遠遠低于TN5050H-12WYVDSM的擊穿電壓和STBR6012-Y整流管的擊穿電壓。因此,該電路典型情況下能夠耐受6kV浪涌沖擊。
結論
為什么選擇這個拓撲?
降低功率損耗、外觀尺寸,同時提高可靠性(相對于繼電器和被動限流器)。
用新一代可控硅整流管和前端拓撲實現的穩健的解決方案。
烜芯微專業制造二極管,三極管,MOS管,橋堆等20年,工廠直銷省20%,4000家電路電器生產企業選用,專業的工程師幫您穩定好每一批產品,如果您有遇到什么需要幫助解決的,可以點擊右邊的工程師,或者點擊銷售經理給您精準的報價以及產品介紹
烜芯微專業制造二極管,三極管,MOS管,橋堆等20年,工廠直銷省20%,4000家電路電器生產企業選用,專業的工程師幫您穩定好每一批產品,如果您有遇到什么需要幫助解決的,可以點擊右邊的工程師,或者點擊銷售經理給您精準的報價以及產品介紹

