該電路可設定設備的循環周期時間以及每次工作的時間,可以讓設備按照設定的時間不斷地循環工作,可應用于定時抽水、定時換氣、定時通風等控制場合。
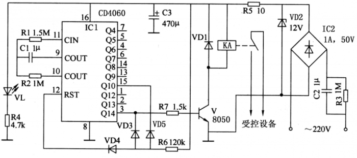
一、電路工作原理下圖所示。


電路通過電容 C2 和泄放電阻 R3 降壓后,經過橋堆 IC2 整流,VD2 穩壓后,得到 12V左右的直流電壓,為 IC1 及其它電路供電。IC1 為 14 位二進制計數/分頻器集成電路,通過由 R1、R2、C1 和 IC1 的內部電路構成一定頻率的時鐘振蕩器,為IC1 的定時提供時鐘脈沖 。當電路通電后,首先進入設備的工作間隙等待時間,IC1 內部通過對時鐘脈沖的計數和分頻實現延時,當計時時間到時(按圖中參數,約為 3 小時),IC1 的 Q14 端輸出高電平,使三極管 V 導通,繼電器 KA 得點,驅動受控設備開始工作。此時,IC1 又開始對設備工作時間進行計時,定時時間到時(按圖中參數,約為 20 分鐘),IC1 的 Q14 端重新變為低電平,使V 截止,設備停止工作。此時,IC1 自動復位,又開始下一次計時,從而可以使設備按照設定時間進行定時循環工作。圖中 VL 為工作指示燈。
在元器件選擇方面,集成電路 IC1 選用 14 位二進制計數/分頻器集成電路 CD4066,也可使用 CC4066 或其它功能相同的數字電路集成塊。IC2 選用 1A、50V 的橋堆,也可用四只 1N4007 二極管接成 。三極管 V 選用 NPN 型三極管 8050,也可使用 9013 或 3DG12 等國產三極管。VD1 選用整流二極管 1N4007;VD1 選用 1W,12V 的硅穩壓管,如1N4742;VD3~VD5 使用開關二極管 1N4148;VL 選用普通發光二極管。電阻 R1、R2、R4、R6 和 R7 選用 1/4W 的金屬膜電阻器;R3 和 R5 選用 1/2W 碳膜電阻器。C1 選用滌綸或獨石電容器;C2 選用耐壓為 450V及以上的聚丙烯電容器;C3 選用耐壓為 16V 的鋁電解電容器。KA 選用線圈電壓為 12V 的微型繼電器,觸點容量根據受控設備的功率來確定。
另外,電路設計完成后,一般無需調試即能正常工作。當需要調節控制時間時,可調節 R1、和C1的參數;也可改變 IC1 輸出控制端(Q4~Q14)的位置來實現。
烜芯微專業制造二極管,三極管,MOS管,橋堆等20年,工廠直銷省20%,4000家電路電器生產企業選用,專業的工程師幫您穩定好每一批產品,如果您有遇到什么需要幫助解決的,可以點擊右邊的工程師,或者點擊銷售經理給您精準的報價以及產品介紹
烜芯微專業制造二極管,三極管,MOS管,橋堆等20年,工廠直銷省20%,4000家電路電器生產企業選用,專業的工程師幫您穩定好每一批產品,如果您有遇到什么需要幫助解決的,可以點擊右邊的工程師,或者點擊銷售經理給您精準的報價以及產品介紹

