電容的頻率特性曲線
電容(Capacitance)亦稱作“電容量”,是指在給定電位差下的電荷儲藏量,記為C,國際單位是法拉(F)。
一般來說,電荷在電場中會受力而移動,當導體之間有了介質,則阻礙了電荷移動而使得電荷累積在導體上,造成電荷的累積儲存,儲存的電荷量則稱為電容。
電容表示符號

如上圖所示,前面表示電容的符號(無極性電容),其中使用最多的應該就是瓷片電容,也就是MLCC。
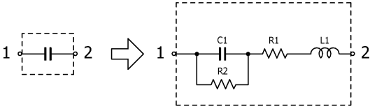
前面是簡單地表示,也表示理想的電容器。后者則是電容實際的模型,包含等效串聯電阻ESR和等效串聯電感ESL,產生的原因是生產工藝以及封裝體積大小導致的問題,比如引腳引線產生的寄生電感,由于所有物質都不是超導體所以有阻抗。
理想電容器:
理想電容器就是介質損耗為零,沒有漏電,分布電感為零,頻率特性一致,可以輸出趨于無窮大的電流,所以趨于零的時間就可以充滿電。
實際電容器
實際電容器內部包含等效串聯電感和等效串聯電阻。而這兩個造成電容在使用時的發熱以及在高頻下不能快速的充放電,所以在使用電容時需要注意電容的頻率與阻抗曲線。
常見容值的頻率曲線
曲線最低點表示自諧振頻率點,此時阻抗最??;自諧振點之前為容性,超過自諧振點,電容逐漸成為感性。
10pf

30pf

100pf

1nf

10nf

100nf

1uf

〈烜芯微/XXW〉專業制造二極管,三極管,MOS管,橋堆等,20年,工廠直銷省20%,上萬家電路電器生產企業選用,專業的工程師幫您穩定好每一批產品,如果您有遇到什么需要幫助解決的,可以直接聯系下方的聯系號碼或加QQ/微信,由我們的銷售經理給您精準的報價以及產品介紹
聯系號碼:18923864027(同微信)
QQ:709211280

