電平轉換方法
5種電平轉換方法分別是,下午我們會從速率、驅動能力、漏電流、成本、通道數五個維度評價。:
1) 晶體管電平轉換方法;
2) 專用電平轉換芯片;
3) 限流電阻電平轉換方法;
4) 電阻分壓電平轉換方法;
5) 二極管電平轉換方法;
1. 使用晶體管轉換電平
如下圖1,使用2個NPN三極管,將輸入信號電平VL和轉換為輸出電平VH,使用2個三極管的目的是將輸入和輸出信號同相,如果可以接受反相,使用一個三極管也可以。

圖1;晶體管進行電平轉換
優勢:
1) 便宜:三極管容易常見并且容易采購,價格低廉(批量幾分錢一個)。
2) 驅動能力強:驅動能力取決于三極管,可以做到數十mA;
3) 漏電流低:In 和OUT兩者之間的漏電流較小(uA級別),幾乎可以忽略不計。
劣勢:
1) 速度:兩級三極管屬于電流驅動型,加上電路和寄生電容,轉換后的波形不是十分理想。一般只能用于100K以內的信號轉換。
2) 器件多:同相轉換需要2個三極管以及配套的電阻,多路轉換時占用空間較多。
2. 使用專用電平芯片轉換電平
如下圖2,使用專用的電平轉換芯片,分別給輸入和輸出信號提供不同的電壓,轉換由芯片內部完成,例如MCP2551/3221等電平轉換芯片。專用芯片是最可靠的電平轉換方案,5個優點里面占據了4個,除了成本。

圖2;專用電平轉換芯片
優勢:
1) 驅動能力強:專用芯片的輸出一般都使用了CMOS工藝,輸出驅動10mA不在話下。
2) 漏電流幾乎為0:內部是一些列的放大、比較器,輸入阻抗非常高,一般都達到數百K。漏電流基本都是nA級別的。
3) 路數較多:專用芯片針對不同的應用,從2路到數十路都有,十分適合對面積要求高的場合。
4) 速率高:專用芯片由于集成度較高,工藝較高,,速率從數百K到數百M的頻率都可以做。
劣勢:
1) 成本:專用芯片集眾多優勢于一身,就是成本是最大的劣勢,一個普通的數百K速率的4通道電平轉換芯片,價格至少要1元人民幣,如果使用三極管做,成本2毛錢都不到。
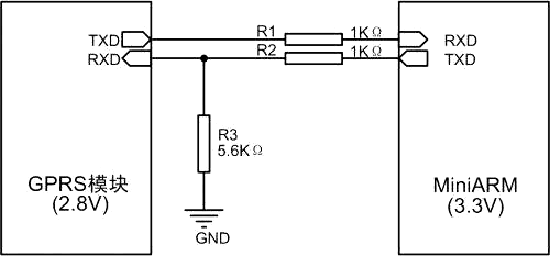
3. 使用電阻分壓轉換電平
如下圖3,R2和R3構成分壓,下圖中Vgprs=3.3*5.6K/(1K+5.6K)=2.8V。GPRS模塊的的TX由于在發送端,2.8V在右邊的接收范圍內,所以不需要分壓,只需要增加一個電阻限流。

圖3;電阻分壓法電平轉換
優勢:
1) 便宜:便宜是最大的優點,2個電阻一分錢不到;
2) 容易實現:電阻采購容易,占用面積小。
劣勢:
1) 速度:分壓法為了降低功耗,使用K級別以上的電阻,加上電路和器件的分布和寄生電容,速率很難上去,一般只能應用于100K以內的頻率。
2) 驅動能力:由于使用了大阻值的電阻,驅動能力被嚴格控制,并不適合需要高驅動能力的場合,例如LED燈等
3) 漏電:漏電是該方案最大的缺點,由于通過電阻直連,左右兩端的電壓會流動,從而互相影響。例如,RS232接口采用該方案,上電瞬間外設就給主芯片提供2.8V的電平,輕則影響時序導致主芯片無法啟動,重則導致主芯片閂鎖效應,燒毀芯片。
4. 使用電阻限流轉換電平
有一些技高人膽大的工程師,有時候還會使用一個電阻限流的辦法,實現兩個不同電平之間的轉換。
具體的現實原理就是利用芯片的輸入電流不超過某個值,例如74HC系列的芯片的輸入電流值不能超過20mA,即可認為是安全的,如果是5V轉3.3V,只要電阻>(5-3.3V)/20mA=85Ω,選擇一個1K的電阻,則認為是安全的。因為芯片內部是可以等效一個負載電阻RL,與R1構成分壓的關系。

圖4;電阻限流法電平轉換
優勢:
1) 便宜:便宜是最大的優點,只需要一個電阻就解決。
2) 容易實現:電阻采購容易,占用面積小。
劣勢:
1) 使用電阻限流法需要具備很高超的技術(作者自認為無法駕馭),不僅需要十分熟悉芯片內部的構成,而且還要考慮限流后的電壓范圍,最關鍵的是,出問題了以后還容易和芯片廠家扯皮,使用這類方案的工程師,膽是大了,技不一定高。
5. 使用二極管鉗位轉換電平
有一些工程師還經常使用二極管鉗位的方法進行電平轉換,如下圖左是3.3V轉5V,當3.3V電平為高時,5V輸出電壓=3.3V+Vd=3.3+0.7≈4V,到達5V的高電平閾值,當3.3V電平輸出為低時,5V電平輸出電壓約=Vd≈0.7V,在低電平閾值范圍內。
如下圖右是5V轉3.3V,輸入是高電平時,3.3Vout=3.3V+Vd≈4V,當5V電平輸入為低電平時,3.3Vout=0V。

圖5:3.3V轉5V(左),5V轉3.3V(右)
優勢:
1) 漏電流小:由于二極管的漏電流非常小(uA級),可以單向防止電源倒灌,防止3.3V倒灌到5V。
2) 容易實現:二極管、電阻采購容易,占用面積小。
劣勢:
1) 電平誤差大:主要是二極管的正向壓降較大,容易超出芯片的工作電壓范圍。
2) 單向防倒灌:只能單向防止倒灌,不能雙向防止倒灌。
3) 速度和驅動能力不理想:由于電阻限流,驅動速度和能力均不理想,只能應用在100K以內的頻率。
4) 所需器件較多。
〈烜芯微/XXW〉專業制造二極管,三極管,MOS管,橋堆等,20年,工廠直銷省20%,上萬家電路電器生產企業選用,專業的工程師幫您穩定好每一批產品,如果您有遇到什么需要幫助解決的,可以直接聯系下方的聯系號碼或加QQ/微信,由我們的銷售經理給您精準的報價以及產品介紹
聯系號碼:18923864027(同微信)
QQ:709211280

