MOS管開關電路實例1
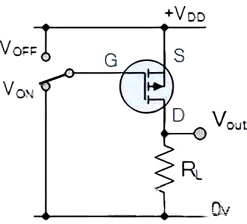
在下圖所示的電路中,增強型 N 溝道mos管用于切換簡單的燈“ON”和“OFF”(也可以是 LED)。
柵極輸入電壓VGS被帶到適當的正電壓電平以打開器件,因此燈負載要么“打開”,(V GS = +ve),要么處于將器件“關閉”的零電壓電平,(V GS = 0V)。
如果燈的電阻負載要由電感負載(如線圈、螺線管或繼電器)代替,則需要與負載并聯一個“續流二極管”,以保護mos管免受任何自生反電動勢的影響。

上面顯示了一個非常簡單的電路,用于切換電阻負載,例如燈或 LED。但是,當使用功率mos管切換感性或容性負載時,需要某種形式的保護來防止mos管器件受損。驅動感性負載與驅動容性負載的效果相反。
例如,沒有電荷的電容是短路的,導致高“涌入”電流,當我們從感性負載上移除電壓時,隨著磁場崩潰,我們會產生很大的反向電壓,從而導致感應繞組中的感應反電動勢。
P溝道mos管開關電路實例
在上圖我們將 N 溝道 mos管視為開關,mos管放置在負載和地之間。這也允許 mos管的柵極驅動或開關信號以地為參考(低側開關)。但在某些應用中,如果負載直接接地,我們需要使用 P 溝道增強型 mos管。如下圖所示。

P溝道mos管開關電路
在這種情況下,mos管開關連接在負載和正 電源 軌(高端開關)之間,就像我們使用 PNP 晶體管一樣。
在 P 溝道器件中,漏極電流的常規流動方向為負方向,因此施加負柵源電壓以將晶體管“導通”。
這是因為 P 溝道mos管是“倒置”的,其源極端子連接到正電源+V DD。然后,當開關變為低電平時,mos管變為“ON”,當開關變為高電平時,mos管變為“OFF”。
P 溝道增強型mos管開關的這種倒置連接允許我們將其與 N 溝道增強型 mos管串聯連接,以產生互補或 CMOS 開關器件,如上圖所示為跨雙電源。
MOS管開關電路實例2

這是一個簡單的電路,其中 N 溝道增強模式mos管將打開或關閉燈。為了將mos管用作開關,它必須工作在截止和線性(或三極管)區域。
假設設備最初是關閉的。柵極和源極之間的電壓,即 V GS適當地設為正值(從技術上講,V GS > V TH),MOSFET 進入線性區域并且開關導通。這使燈打開。
如果輸入柵極電壓為 0V(或技術上 < V TH),則mos管進入截止狀態并關閉。這反過來會使燈關閉。
〈烜芯微/XXW〉專業制造二極管,三極管,MOS管,橋堆等,20年,工廠直銷省20%,上萬家電路電器生產企業選用,專業的工程師幫您穩定好每一批產品,如果您有遇到什么需要幫助解決的,可以直接聯系下方的聯系號碼或加QQ/微信,由我們的銷售經理給您精準的報價以及產品介紹
聯系號碼:18923864027(同微信)
QQ:709211280

