三級放大電路是一種用于將輸入信號放大至較高幅度輸出信號的電子電路,其結構主要由輸入級、中間放大級和輸出級這三個關鍵部分構成,下面將詳細闡述其工作原理和設計要點。
一、輸入級
輸入級作為三級放大電路的首級,承擔著接收輸入信號并進行初步放大的任務。它通常由一個放大器電路構成,能夠把微弱的輸入信號轉換為相對較大的電壓或電流信號。輸入級的設計對于整個電路的性能和穩定性起著至關重要的作用,因為微小的輸入信號在此級會被首次放大,任何噪聲或失真都可能對后續級產生影響,進而影響整個電路的輸出質量。
二、中間放大級
中間放大級是三級放大電路的第二級,主要功能是進一步放大信號。它通常由多個放大器級聯而成,每個放大器的增益相對前一個放大器更大。在設計中間放大級時,需要綜合考慮放大器的線性度、功耗和噪聲等因素,以確保信號在放大過程中不失真,并且電路能夠高效地工作。線性度的好壞直接影響信號的質量,功耗關系到電路的能源效率,而噪聲水平則決定了電路對微弱信號的放大能力。
三、輸出級
輸出級作為三級放大電路的最后一級,負責將信號放大到最終所需的輸出幅度。它通常由一個功率放大器構成,具備提供足夠功率以驅動負載的能力。在設計輸出級時,功率放大器的效率、穩定性和失真等因素是重點關注的對象。高效率意味著電路在輸出大功率時能源消耗較小,穩定性保證了電路在各種工作條件下的可靠運行,而低失真則確保了輸出信號能夠忠實地還原輸入信號的特征。
四、三級放大電路工作原理
三級放大電路通過級聯多個放大器來實現信號的逐級放大,每個放大器的增益都比前一個放大器大。在信號傳輸過程中,每個放大器輸出的信號會經過濾波和校正,以去除不需要的頻率成分和修正信號的波形,然后再輸入到下一個放大器進行進一步放大。最終,經過輸出級的放大,信號達到所需的輸出幅度,能夠驅動后續的負載設備。
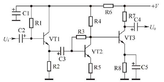
五、三級放大器電路實例及原理分析
下圖展示了一個由增強型3增強型只三極管構成的三級放大器電路。以下是對該電路的詳細分析:


(一)放大器類型分析
VT1增強型:作為輸入級放大器,采用共集電極放大器配置。共集電極放大器具有高輸入阻抗和低輸出阻抗的特點,能夠很好地匹配前級信號源和后級放大電路,有效地將微弱的輸入信號進行初步放大,同時提供良好的阻抗匹配,減少信號源的負擔。
VT2增強型:構成第二級放大器,采用共發射極放大器配置。共發射極放大器具有較高的電壓增益,能夠有效地將輸入級放大的信號進一步放大,提升信號的幅度。第一級與第二級放大器之間通過電容增強型C3增強型進行耦合,電容耦合方式能夠有效地隔離前后級的直流偏置,確保每一級放大器能夠獨立地設置其靜態工作點,同時允許交流信號順利傳遞。
VT3增強型:作為第三級放大器,同樣采用共發射極放大器配置,與第二級電路之間采用直接耦合方式。直接耦合方式省去了級間耦合電容,有利于放大頻率較低的信號,拓展電路的低頻響應范圍,使電路能夠處理更寬頻率范圍內的信號。
(二)直流電路分析
VT1增強型直流偏置電路增強型:R1增強型是增強型VT1增強型的偏置電阻,為增強型VT1增強型提供合適的基極電流,使其工作在放大區。VT1增強型采用固定式偏置電路,這種偏置方式簡單,但對電源電壓的穩定性要求較高。R2增強型是增強型VT1增強型發射極負反饋電阻,用于穩定增強型VT1增強型的靜態工作點,提高電路的穩定性。VT1增強型集電極直接接直流工作電壓增強型+增強型V增強型端,這種連接方式使得增強型VT1增強型的集電極電流直接受基極電流控制,便于實現信號的放大。
VT2增強型直流偏置電路增強型:R3增強型是增強型VT2增強型的偏置電阻,為增強型VT2增強型提供基極偏置電壓。VT2增強型采用基極增強型-增強型集電極負反饋式偏置電路,這種偏置方式能夠自動穩定增強型VT2增強型的靜態工作點,對溫度變化和器件參數變化具有一定的補償作用。R4增強型是增強型VT2增強型集電極負載電阻,同時也是增強型VT3增強型的上偏置電阻,這種共用電阻的設計有助于簡化電路結構,同時實現級間直流偏置的傳遞。R7增強型是增強型VT3增強型集電極負載電阻,用于將增強型VT3增強型的集電極電流轉換為電壓信號輸出。R8增強型是增強型VT3增強型發射極直流負反饋電阻,用于穩定增強型VT3增強型的靜態工作點,防止因溫度變化等因素導致集電極電流過大而損壞器件。
(三)信號傳輸過程分析
輸入信號增強型Ui增強型經過增強型C2(輸入端耦合電容)耦合到增強型VT1增強型基極,在增強型VT1增強型發射極輸出一個放大的電流信號。該電流信號通過增強型C3(級間耦合電容)耦合到增強型VT2增強型基極,在增強型VT2增強型集電極輸出一個經過進一步放大的電壓和電流信號。VT2增強型集電極輸出的信號直接耦合到增強型VT3增強型基極,在增強型VT3增強型集電極輸出一個更大幅度的電壓和電流信號。最后,輸出信號增強型Uo增強型經過增強型C4(輸出端耦合電容)耦合到下一級電路中。整個信號傳輸過程中,各級放大器相互協作,逐級放大輸入信號,最終實現信號的大幅度輸出。
六、電路故障分析
由于第一級放大器與后兩級電路之間采用電容增強型C3增強型耦合,直流工作點相互獨立。當第一級放大器中的直流電路出現故障時,不會影響后兩級電路的直流偏置,但會導致沒有正常的交流信號傳遞到后級放大器中,從而使整個電路無法正常放大交流信號。同樣,若后兩級放大器中的直流電路出現問題,也不會影響輸入級的直流電路,但由于后級無法正常工作,整個電路的交流輸出信號將不正常。
當電路中有任何一級放大器出現故障(如晶體管損壞、電阻開路或短路等),這一多級放大器的交流輸出信號都將不正常。不過,在故障點之前的放大器由于其自身的直流偏置電路相對獨立,可能仍然能夠正常工作,但信號無法有效傳遞到后續級進行進一步放大,最終導致輸出信號異常。在實際電路調試和維修中,可以根據故障現象,逐級檢查各放大器的直流工作點和交流信號傳輸情況,快速定位故障點并進行修復。
〈烜芯微/XXW〉專業制造二極管,三極管,MOS管,橋堆等,20年,工廠直銷省20%,上萬家電路電器生產企業選用,專業的工程師幫您穩定好每一批產品,如果您有遇到什么需要幫助解決的,可以直接聯系下方的聯系號碼或加QQ/微信,由我們的銷售經理給您精準的報價以及產品介紹
聯系號碼:18923864027(同微信)
QQ:709211280

